





原理
水平管降膜蒸發器又稱為水平管噴淋式降膜蒸發器,料液從分布器中均勻的噴淋到水平放置的換熱管束上,接受來自管內蒸汽冷凝釋放的熱量而部分蒸發,未蒸發部分在重力作用下流向下一排管子,最終流至蒸發室底部,這部分溶液再經循環泵循環噴淋,通過多次的循環噴淋蒸發達到濃縮要求。料液蒸發所產生的二次蒸汽從頂部排出進入壓縮機壓縮增壓、升溫,提高二次蒸汽的熱焓,然后進入換熱管內冷凝放熱。這是一個管外溶液蒸發,管內蒸汽冷凝的雙側相變傳熱過程。
主要特點
●傳熱系數高,二倍于豎管降膜蒸發,三倍于閃蒸蒸發裝置;
●傳熱溫差損失小,沒有液位靜壓力而引起的沸點升高所帶來的溫度損失;
●適合易起泡,低溫蒸發濃縮的物料;
●易于觀察設備內的換熱情況;
●不適合處理易結晶的、易結垢的料液。
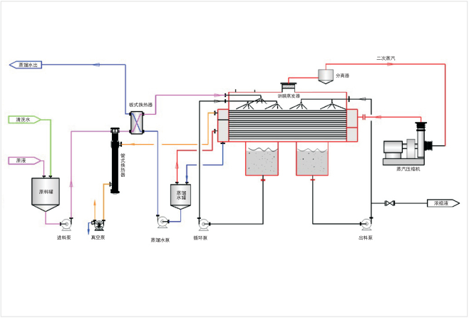
工藝流程圖

原理
水平管降膜蒸發器又稱為水平管噴淋式降膜蒸發器,料液從分布器中均勻的噴淋到水平放置的換熱管束上,接受來自管內蒸汽冷凝釋放的熱量而部分蒸發,未蒸發部分在重力作用下流向下一排管子,最終流至蒸發室底部,這部分溶液再經循環泵循環噴淋,通過多次的循環噴淋蒸發達到濃縮要求。料液蒸發所產生的二次蒸汽從頂部排出進入壓縮機壓縮增壓、升溫,提高二次蒸汽的熱焓,然后進入換熱管內冷凝放熱。這是一個管外溶液蒸發,管內蒸汽冷凝的雙側相變傳熱過程。
主要特點
●傳熱系數高,二倍于豎管降膜蒸發,三倍于閃蒸蒸發裝置;
●傳熱溫差損失小,沒有液位靜壓力而引起的沸點升高所帶來的溫度損失;
●適合易起泡,低溫蒸發濃縮的物料;
●易于觀察設備內的換熱情況;
●不適合處理易結晶的、易結垢的料液。
工藝流程圖

